Produkty

Produkty

Wał napędowy PTO
  • Wał napędowy PTOWał napędowy PTO
  • Wał napędowy PTOWał napędowy PTO
  • Wał napędowy PTOWał napędowy PTO

Wał napędowy PTO

FastMa® jest producentem i dostawcą wałów napędowych WOM w Chinach. Jesteśmy zaangażowani w zapewnianie naszym klientom nie tylko produktów wysokiej jakości, ale także doskonałej usługi po sprzedaży. Wybierz nasze części zamienne ciągnika i różne rodzaje maszyn rolniczych i zdobądź zaufanego partnera.

Zastosowania

Wały napędowe PTO są szeroko stosowane do zasilania różnych maszyn rolniczych, w tym balersów, maszyn rolniczych, kosiarków rolnych, bratów energetycznych, rotacyjnych ropaków itp.

Większość sprzętu rolniczego wymaga pewnego systemu startowego (PTO), aby przekształcić energię obrotową silnika przyczepy w energię do wdrożenia gospodarstwa. W rezultacie wał napędowy PTO stał się nie tylko kluczowym elementem współczesnych operacji rolniczych, ale także najczęstszym rozwiązaniem transmisji energii. W rzeczywistości jego znormalizowana konstrukcja i wysoka wydajność sprawiają, że jest to niezbędny element w globalnej dziedzinie rolniczej.

PTO Drive Shaft

Struktura

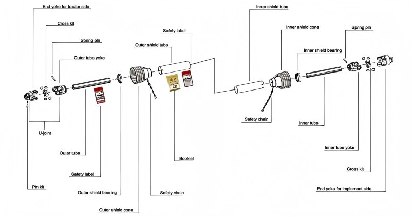
Wał napędowy PTO działa poprzez obracanie silnika ciągnika z dużą prędkością. Wał PTO składa się z rurki teleskopowej, uniwersalnego złącza i pręta jarzmowego. Zwykle jest chroniony przez plastikowy osłona i łańcuch.

Wał PTO przesyła energię silnika ciągnika na pompę hydrauliczną, która napędza olej i zapewnia zasilanie do narzędzia. Wały PTO są bardziej wydajne w większych ciągnikach.

PTO Drive Shaft

Przewaga

Nasze wały napędowe PTO są wykute ze stali stopowej o wysokiej wytrzymałości i ulegają specjalnemu procesowi oczyszczania cieplnego w celu zapewnienia długoterminowej stabilnej pracy w warunkach pracy o wysokiej intensywności. Innowacyjny projekt uniwersalnego stawu przyjmuje podwójnie uochłaną strukturę, która nie tylko może skutecznie izolować kurz, błoto i wodę i inne zanieczyszczenia, ale także wydłuża okres smarowania do dwukrotności podobnych produktów, znacznie zmniejszając częstotliwość konserwacji. W części łączącej nasz ekskluzywny system śrub przeciwkołaniowych, poprzez wiele mechanizmów blokujących, poprawia niezawodność w porównaniu z tradycyjnym połączeniem śrubowym, całkowicie eliminując potencjalne niebezpieczeństwo poluzowania spowodowane wibracjami. Ponadto powierzchnia rurki wału przyjmuje technologię powlekania nano, która ma wyjątkową wydajność anty-RUST i może utrzymać dobry stan użytkowania nawet w trudnych środowiskach, takich jak wysoka wilgotność i wysokie zasolenie, a jej żywotność usług znacznie przekracza średni poziom branży.

Gorące Tagi: Wał napędowy PTO
Wyślij zapytanie
Informacje kontaktowe
W celu zapytania o ciągnik rolniczy, poziom gruntów, opryskiwacz rolniczy lub cennik, zostaw nam swój e -mail, a my będziemy w kontakcie w ciągu 24 godzin.
X
Używamy plików cookie, aby zapewnić lepszą jakość przeglądania, analizować ruch w witrynie i personalizować zawartość. Korzystając z tej witryny, wyrażasz zgodę na używanie przez nas plików cookie. Polityka prywatności
Odrzucić Przyjąć